工业热电偶
详细说明:
WR□工业热电偶又称装配热电偶,与显示仪表配套,可在-200~1600℃温度范围内进行温度测量,广泛应用于航天航空、原子能、石油、化工、冶金、机械等部门和科学技术领域。
装配热电偶通常由感温元件、外保护管、接线盒及安装固定装置组成。
1.1工作原理
由两种不同化学成份均质导体(电极)组成闭合回路,当两端存在温差时(T≠T0),两端之间就产生电动势,回路中就会有电流通过,该现象称之为温差电现象,该电动势称之为热电动势,如果接上电位差计,电位差计上会显示热电动势值。导体两端温差的大小,所产生的热电动势的大小也不同,反之根据不同的热电动值就会知道导体两端的温度差大小。
1.2主要特点:测温范围宽、使用寿命长、安装使用方便
1.3主要技术参数
装配热电偶的品种、允差等级
装配热电偶绝缘电阻

装配热电偶保护管材质、热响应时间及长度列表1-3

不同材质保护管适用温度范围

1.4典型的接线盒形式

1.5典型的安装固定形式

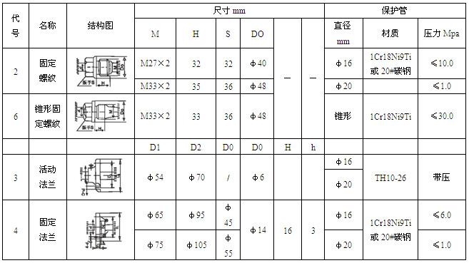
1.6典型的装配热电偶形式

订货注意事项
产品名称 产品型号
实际测温范围
可单独提供感温元件:型号:WR口一010,总长:L+20mm
特殊产品协议供货
举例:一支镍铬一镍硅双支热电偶,带固定螺纹、防水接线盒,外径为Φ20,,1Cr18Ni9Ti保护管,精度为II级、插入深度为650mm,标注为:WRNz-231 II /750 x 600
1.7 耐温、耐磨,抗腐蚀等特殊环境下使用的热电偶
本热电偶主要是利用耐高温、高硬度且杭冲刷和抗强腐蚀的金属管或非金属管作为热电偶外保护管,适用于生产过程中具有强度蚀或激烈冲刷环境下的高温测量,广泛月于冶炼玻璃、化学化工、陶瓷烧结、水泥生产、军工和科学试验等领域。

任何一种金属材料或非金属材料要做到既抗腐蚀又耐磨还要测高温几乎很难做到.一般只能根据使用的主要环境进行择优选用。根据本厂多年的研究和现场提供的应用实例。现提供几种主要的不同材料的热电偶保护管。供用户选用时参考。



皖公网安备 34118102000548号